解決Smar智能儀表CD600與渦輪流量計信號不匹配問
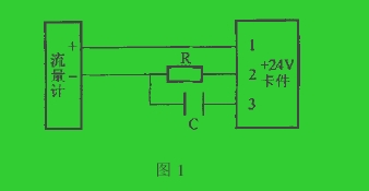
南陽石蠟精細化工廠聚丙烯裝置, 采用的是美國Smar 公司的 SMARCON2.0DCS 系統 ,該系統以四回路調節器 CD600 作為調節單元 ,與計算機進行通信。該裝置的所有累積量都采用渦輪流量計 ,它發出的是電流脈沖信號, 而 CD600 只能接受電壓脈沖信號 ,因此 ,CD600 無法累積流量, 當然也無法顯示瞬時流量, 在操作站上也看不到渦輪測的流量 。如果不改變渦輪流量計的電流脈沖信號, 只能重新選擇一次表 ,至少要造成幾萬元的經濟損失 。我們在線路中串入一只 1kΨ電阻 ,從電阻兩端取得電壓信號, 再并一個 100μF 的電容, 可將直流載波信號濾掉 ,如信號轉換原理圖圖 1 所示。

在 2 、3 端子可得到一個純電壓信號, 電壓信號再經放大 , 從 而可被 CD600 接 受, 解 決了 Smar公司的智能儀表 CD600 與渦輪信號不匹配的問題。
通過這次對渦輪流量計的電流脈沖信號的改造, 只花了幾十元錢,節省了幾萬元。
